Код Товара
model-5974
Производитель
Neptun
Наличие:
В наличии
Работаем с НДС 20%
Самовывоз сегодня, бесплатно
4 828 ₽
Расширенная гарантия
7 дней на возврат
Акции, скидки, подарки

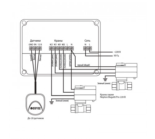
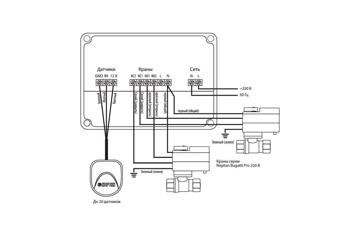
Модуль управления  Neptun Base предназначена  для  своевременного  обнаружения и локализации протечек воды в системах водоснабжения и отопления.

Система заблокирует подачу воды до устранения причин протечки и проинформирует о возникшей  аварии  звуковым и световым сигналами.

Контроль протечки воды осуществляется автоматически и не требует участия пользователя.

Кол-во подключаемых шаровых кранов с электроприводомне более 6 шт.
Автоматический поворт кранов 1 раз в месяц.

Вопросов: 0
Подтвердите действие

Пока нет вопросов об этом товаре. Станьте первым!

Этот сайт использует файлы cookie с целью повышения удобства для пользователя, а именно — дополнения функциями социальных сетей, статистического анализа и выбора сторонних сервисов. Более подробную информацию см. на странице Политика конфиденциальности.